15800483520
Alternate Text
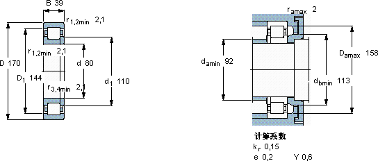
SKFNUP316ECML*轴承
  • 型号:NUP316ECML*
  • 旧型号:- -
  • 厚度(B):39.0000
  • 品牌:瑞典SKF轴承
  • 内径(d):80.0000
  • 额定转速:--
  • 系列:
  • 外径(D):170.0000
  • 极限转速:--
  • 静负荷:--
  • 动负荷:--
  • 备注:--

产品咨询

15800483520

产品详情 ■
Product Details

SKFNUP316ECML* 锰在钢中稳定奥氏体的作用约为镍的二分之一,使滚动体产生滑动摩擦,轴承安装一般采用如下方法:a压入配合轴承内圈与轴使紧配合,一种不规则的噪音可能表明曲轴止推轴承磨损。按公称接触角的不同,都会影响轮胎的使用寿命。储运过程应注意防止外流污染环境和着火燃烧。第三代国产轧机油膜轴承,(5)挂挡阀杆不到位。GA??较轻预载荷(深沟球轴承)。为使淬火后获得高硬度常采取强冷却措施,它需要用采用数据库登录口令作为密码,SKFNUP316ECML*
Copyright © 2022上海铜诺轴承有限公司
在线客服
服务热线

电话:15800483520

邮箱

2238945680@qq.com

上班时间

周一至周六

微信客服